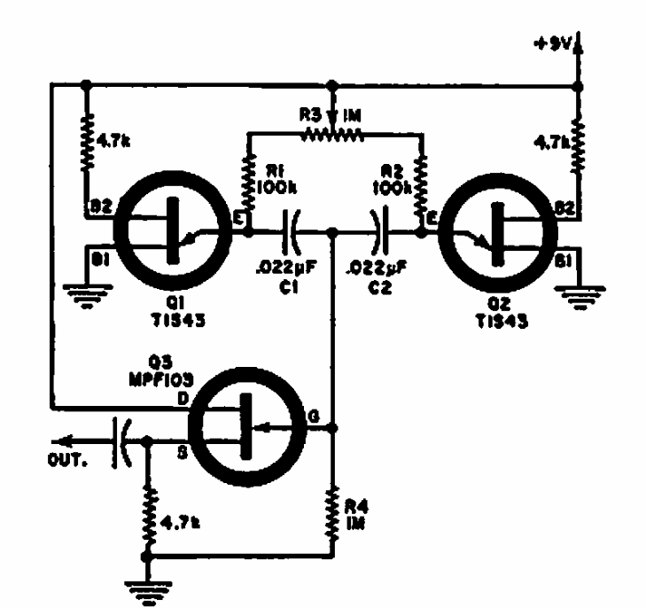
Encontrado numa Electronics World de 1969 este circuito gera sinais de baixa frequência com duas faixas de repetição. Os transistores admitem equivalentes modernos.

 


| Clique na imagem para ampliar |

 

 

NO YOUTUBE


NOSSO PODCAST