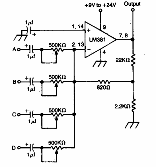
Esta configuração pode ser vista em outros pontos desta seção, obtidas de fontes diferentes. Esta é de uma documentação americana dos anos 70. Operacionais equivalentes com tensões apropriadas podem ser empregados.

Esta configuração pode ser vista em outros pontos desta seção, obtidas de fontes diferentes. Esta é de uma documentação americana dos anos 70. Operacionais equivalentes com tensões apropriadas podem ser empregados.
