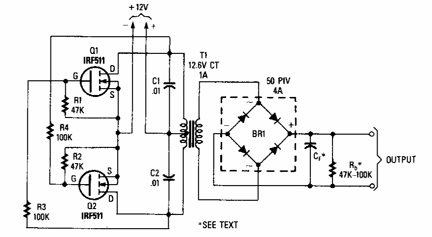
A tensão de saída deste inversor depende do transformador usado. O circuito é de uma Popular Electronics dos anos 90. O circuito se aplica a qualquer pequeno transformador de 12 V CT com até 1 A e primário de 110, 220 ou 240 V.
A tensão de saída deste inversor depende do transformador usado. O circuito é de uma Popular Electronics dos anos 90. O circuito se aplica a qualquer pequeno transformador de 12 V CT com até 1 A e primário de 110, 220 ou 240 V.