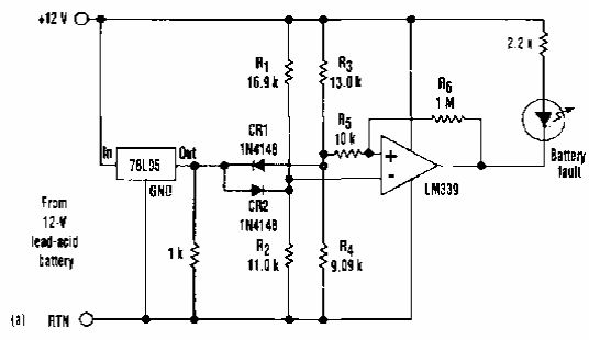
Encontrado numa Electronic Design dos anos 80, este circuito monitora a carga de uma bateria de 12 V. O operacional é da época, podendo ser testados equivalentes modernos.

Encontrado numa Electronic Design dos anos 80, este circuito monitora a carga de uma bateria de 12 V. O operacional é da época, podendo ser testados equivalentes modernos.
