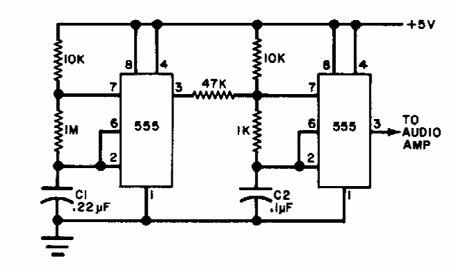
Esta configuração pode ser encontrada em outros pontos deste site e seção. O circuito é de uma Popular Electronics. O sinal de saída deve ser aplicado a um amplificador.

 


| Clique na imagem para ampliar |

 

 

 

NO YOUTUBE


NOSSO PODCAST