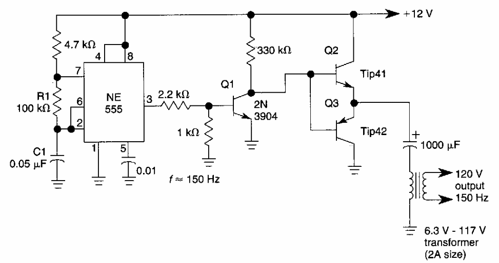
Encontrado numa documentação americana dos anos 90, este circuito gera uma tensão alternada de 120 V x 150 kHz. O transformador é do tipo de alimentação com primário de acordo com a rede e secundário de 6 ou 12 V.
Encontrado numa documentação americana dos anos 90, este circuito gera uma tensão alternada de 120 V x 150 kHz. O transformador é do tipo de alimentação com primário de acordo com a rede e secundário de 6 ou 12 V.