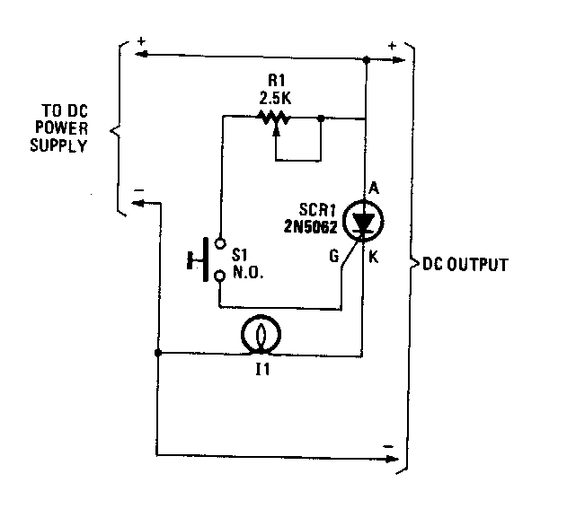
Este circuito foi encontrado numa Hands On Electronics dos anos 90. Ele monitora a presença de tensão numa fonte de alimentação. A lâmpada depende da tensão monitorada.

Este circuito foi encontrado numa Hands On Electronics dos anos 90. Ele monitora a presença de tensão numa fonte de alimentação. A lâmpada depende da tensão monitorada.
