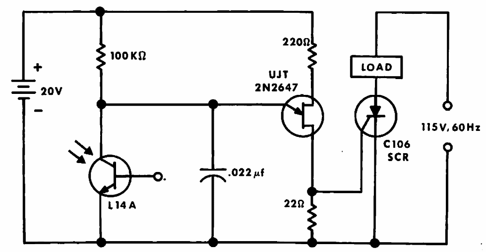
Este sensor de luz de alta sensibilidade foi encontrado numa documentação da General Electric de 1970. O circuito pode usar o 2N2646 e o fototransistor pode ser de qualquer tipo.

 


| Clique na imagem para ampliar |

 

 

 

NO YOUTUBE


NOSSO PODCAST