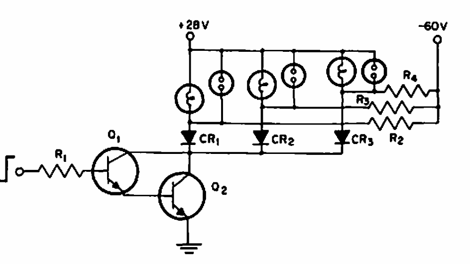
Este circuito foi encontrado numa documentação americana de 1969. O circuito é um multi-indicador com os resistores tipicamente de 47 k para R1 e 100 k para os demais.

 

 

 


| Clique na imagem para ampliar |

 

 

 

NO YOUTUBE


NOSSO PODCAST