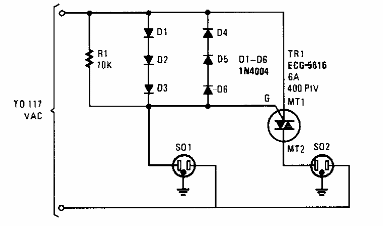
Este circuito alimenta uma carga em SO1 quando a carga em SO2 é alimentada. O circuito é de uma Popular Electronics dos anos 90. Diodos e triacs devem ser de acordo com as cargas.

 


| Clique na imagem para ampliar |

 

 

 

NO YOUTUBE


NOSSO PODCAST