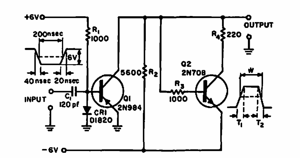
Este circuito encontrado numa documentação americana de 1964, altera a duração de um pulso podendo operar em frequências até 10 MHz. Os transistores são da época.

 


| Clique na imagem para ampliar |

 

 

 

NO YOUTUBE


NOSSO PODCAST