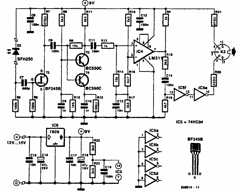
Este circuito para instrumentos musicais foi encontrado numa Elektor dos anos 90. O circuito ainda se aplica, pois os componentes usados ainda podem ser obtidos com certa facilidade.

 


| Clique na imagem para ampliar |

 

 

 

NO YOUTUBE


NOSSO PODCAST