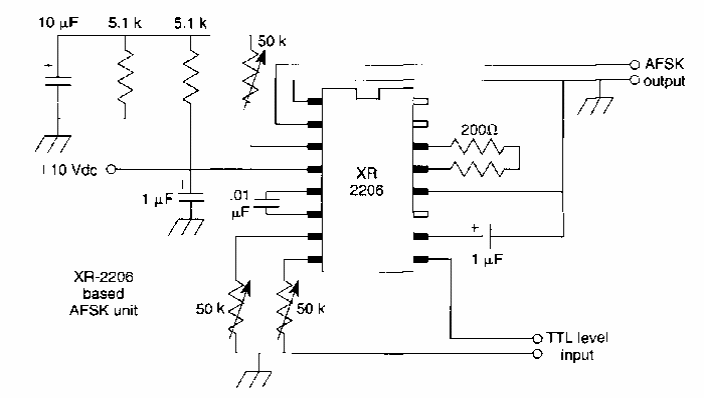
Este circuito foi obtido numa revista para radioamadores 73 dos anos 90. O circuito se baseia no XR2206 que não é componente encontrado facilmente em nossos dias.

 


| Clique na imagem para ampliar |

 

 

NO YOUTUBE


NOSSO PODCAST