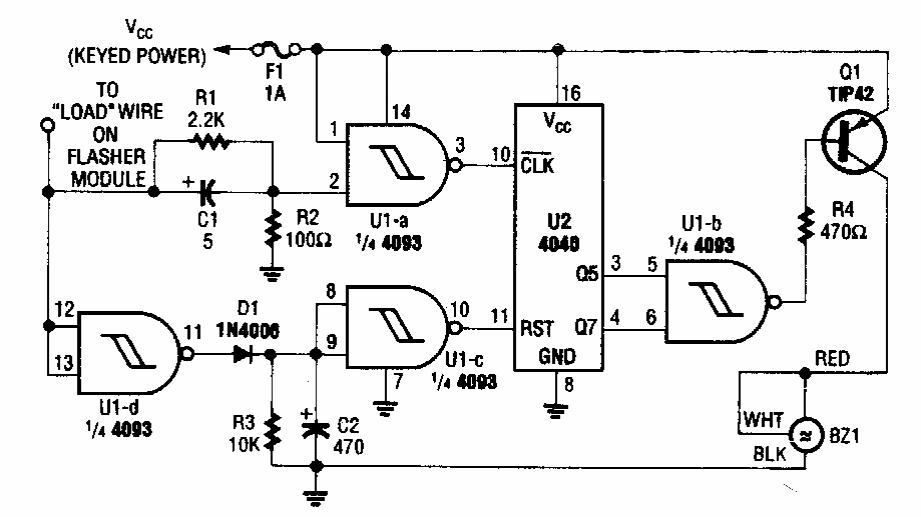
Este circuito foi obtido numa Popular Electronics dos anos 90. Ele avisa quando a seta for esquecida ligada acionando um alarme sonoro. O alarme usada é do tipo Sonalert da época.
Este circuito foi obtido numa Popular Electronics dos anos 90. Ele avisa quando a seta for esquecida ligada acionando um alarme sonoro. O alarme usada é do tipo Sonalert da época.