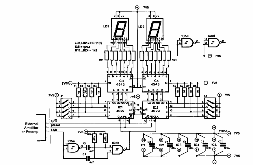
Encontrado numa antiga Elektor este circuito usa dois displays de 7 segmentos para indicar o volume de um amplificador. O circuito usa componentes que ainda são comuns em nossos dias.
Encontrado numa antiga Elektor este circuito usa dois displays de 7 segmentos para indicar o volume de um amplificador. O circuito usa componentes que ainda são comuns em nossos dias.