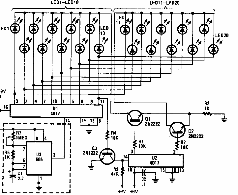
Este circuito foi obtido numa Popular Electronics antiga. Ele faz uso de componentes bastante comuns. A velocidade do efeito é ajustada em R7. O circuito aciona 20 LEDs.

 


| Clique na imagem para ampliar |

 

 

 

NO YOUTUBE


NOSSO PODCAST