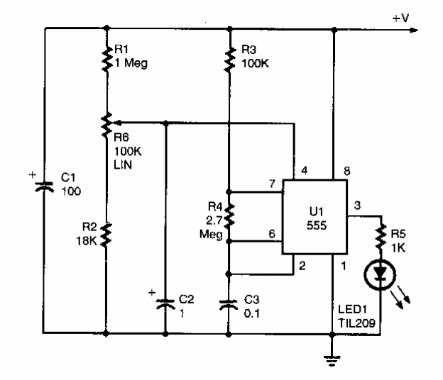
Este circuito faz com que um LED pisque se a tensão monitorada superar o valor ajustado no potenciômetro. O circuito é de uma Popular Electronics dos anos 90.

Este circuito faz com que um LED pisque se a tensão monitorada superar o valor ajustado no potenciômetro. O circuito é de uma Popular Electronics dos anos 90.
