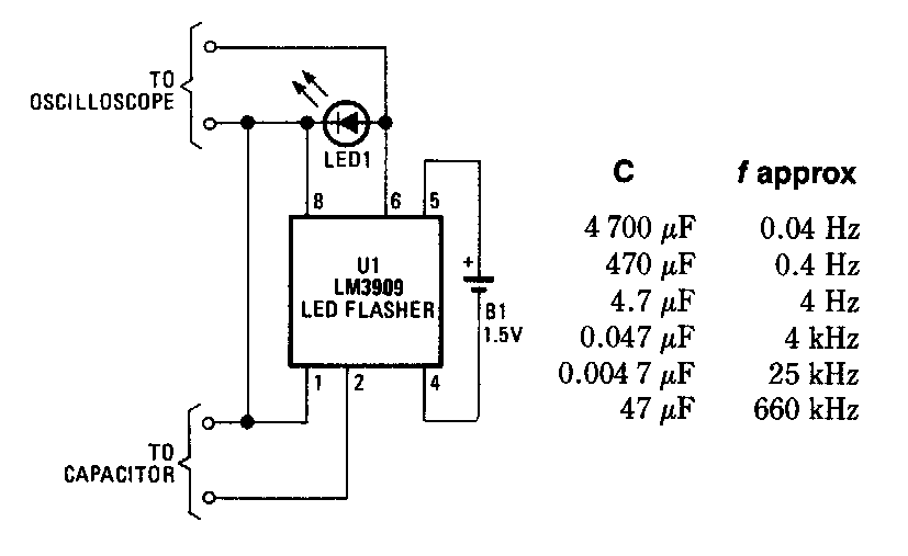
A frequência das piscadas do LED depende do valor do capacitor testado conforme a tabela. Encontramos este circuito numa Popular Electronics dos anos 80.

 


| Clique na imagem para ampliar |

 

 

 

NO YOUTUBE


NOSSO PODCAST