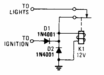
Este circuito é acionado pela chave de ignição que, quando retirada faz um relé apitar se as luzes estiverem acesas. Veja que neste circuito, o próprio relé usado como oscilador. O circuito é de uma Popular Electronics dos anos 90.

Este circuito é acionado pela chave de ignição que, quando retirada faz um relé apitar se as luzes estiverem acesas. Veja que neste circuito, o próprio relé usado como oscilador. O circuito é de uma Popular Electronics dos anos 90.
