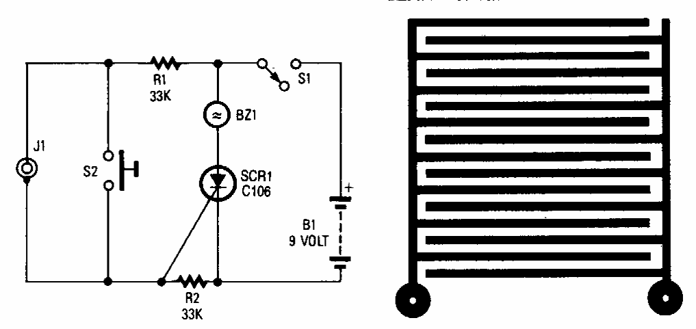
Este circuito é de uma Popular Electronics. O buzzer é do tipo Sonalert com oscilador embutido. O circuito deve ser alimentado por bateria e S2 faz seu rearme. O sensor é uma placa com o padrão indicado na figura.
Este circuito é de uma Popular Electronics. O buzzer é do tipo Sonalert com oscilador embutido. O circuito deve ser alimentado por bateria e S2 faz seu rearme. O sensor é uma placa com o padrão indicado na figura.