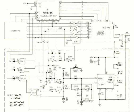
Este circuito foi encontrado na revista Radio Electronics de fevereiro de 1976. Os componentes são da época com base no 555. A alimentação deve ser feita com as tensões indicadas.

Este circuito foi encontrado na revista Radio Electronics de fevereiro de 1976. Os componentes são da época com base no 555. A alimentação deve ser feita com as tensões indicadas.
