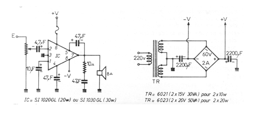
Este amplificador utiliza módulos híbridos da Sanken que ainda podem ser encontrados em alguns fornecedores, pois também são usados em circuitos de automação e controle. Ele pode fornecer potências de 20 ou 30 W, conforme o módulo usado e a fonte de alimentação. O circuito exige uma placa bem planejada e uma boa área de dissipação para o módulo híbrido. A qualidade de som obtida é excelente já que o módulo foi utilizado em diversos produtos comerciais da época (anos 70 e 80).
















