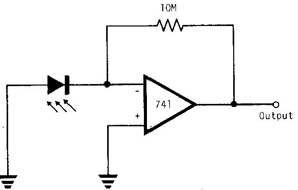
Na figura temos o modo de se usar um LED comum como um sensor de luz. A fonte de alimentação do operacional deve ser simétrica. Outros operacionais podem ser usados.

Na figura temos o modo de se usar um LED comum como um sensor de luz. A fonte de alimentação do operacional deve ser simétrica. Outros operacionais podem ser usados.
