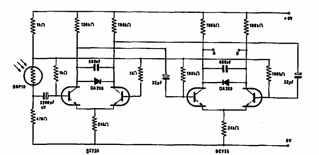
Encontrado numa documentação de 1968 da Mullard, este circuito usa componentes da época. Os transistores são pares casados e o sensor é uma fotocélula de índio da época.

 


| Clique na imagem para ampliar |

 

 

 

NO YOUTUBE


NOSSO PODCAST