Copiando ... copiand copian ... copia ... copi co ... alô! Fale mais alto! Não estou ouvindo nada! Muitas vezes, por causa da pouca sensibilidade do receptor, se interrompe um bom papo entre os PX-Faixa do Cidadão. Nada adianta ter um ótimo transmissor, se não podemos ouvir as respostas. Poderemos diminuir este inconveniente usando um pequeno pré-amplificador de antena, melhorando a recepção sem alterar as características do aparelho. A montagem que apresentamos aumenta cerca de 20 decibéis.
Nota: Artigo publicado na Revista Saber Eletrônica de março de 1985.
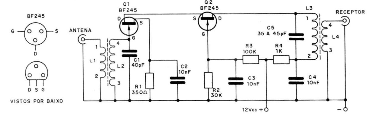
CARACTERISTICAS
Na realização desta montagem procuramos utilizar materiais de fácil aquisição no comércio eletrônico, fornecendo os detalhes essenciais para o leitor se orientar.
Os transistores usados foram os de efeito de campo, FETs, tipo BF245 da lbrape. Estes transistores reúnem as melhores qualidades dos bipolares e das válvulas. São de pequeno tamanho, apresentando alta resistência na entrada e seu ponto de trabalho pode ser fixado através de polarização automática, sem consumo de potência. Seu ruído é mínimo, em comparação aos transistores bipolares, sofrendo muito menos que estes, a influência da temperatura e radiações, não apresentando o fenômeno de AVALANCHE TÉRMICA, pois um aumento de temperatura produz uma redução na corrente. O FET (field efect transistor) controla o fluxo da corrente através de um campo eletrostático, lembrando a válvula termiônica.
Os dois FETs foram montados em tipo cascata e o sinal que vem da antena é aplicado na bobina L1 e na massa (—). Esses sinais são induzidos na bobina L2, que está sintonizada em 27 MHz e ligada à porta (gate) do primeiro FET, onde são amplificados.
No suprídouro (sourge) do segundo FET, cuja porta (gate) está ligada à massa (—) através de um resistor de 30k (R2), o sinal amplificado sai do dreno (drain) do segundo FET para o primário da bobina L3, também sintonizada em 27 MHz e, indutivamente, passa para a bobina L4, onde é aplicado à entrada do receptor que desejamos sensibilizar.
O circuito não é crítico e funciona com 9 até 18 volts. Como a maioria dos aparelhos PX são alimentados com 12 volts, o nosso aparelhinho atingirá cerca de 20 decibéis.
AS BOBINAS
Geralmente, as bobinas são as mais difíceis de elaborar, pois necessitam de alguns ajustes.
Podem ser enroladas numa pequena forma de plástico ou cartolina com 5 mm de diâmetro. A bobina L2 possui 14 espiras e, em paralelo com a mesma, colocamos um condensador cerâmico de 40 pF (este condensador pode variar de 35 a 45 pF). Na extremidade de L2, lado da massa (—), enrolamos a bobina Ll com 3 espiras, partindo da última espira de L2 usando para ambas fio esmaltado de 0,3 a 0,5 mm. No lado interno da bobina colocamos um núcleo de ferrite para o acoplamento indutivo entre os dois enrolamentos (L1-L2).

Se for necessário um pequeno ajuste, este poderá ser executado através do capacitor C1, modificando-se o seu valor. Pode ser usado um pequeno trimmer (capacitor variável).
Para as bobinas L3 e L4 teremos as mesmas espiras e os mesmos cuidados que tivemos com L1 e L2. Podem ser usados núcleos de FI aproveitados de algum rádio, incluindo-se as canecas de alumínio para a blindagem.


MONTAGEM
Começamos pelas bobinas, que devem ser fixadas observando-se o lado da massa (-). Solda-se os FETs, tendo cuidado com os seus terminais. A seguir vem os capacitores e os resistores. Os cuidados não são especiais, sendo os mesmos de qualquer montagem com semicondutores.
AJUSTES
As bobinas deverão ser sintonizadas em 27 MHz. Se o leitor possuir um oscilador modulado, coloque na saída deste a entrada da antena do pré-amplificador. Ligue o pré-amplificador (saída da bobina L4) no receptor do PX. Com o oscilador sintonizado em 27 MHz captamos o sinal no receptor e o regulamos até ficar apenas perceptível. Giramos o núcleo de L3 e L4 até que o sinal fique o mais forte possível. Fazemos o mesmo com L1 e L2.
Para ajustar as bobinas sem o auxílio do oscilador, fazemos as ligações normais do pré-amplificador. Movimentando o núcleo de L3 e L4, captamos um canal que esteja transmitindo e procuramos um ponto onde o sinal seja mais forte. Fazemos o mesmo com L1 e L2. Se o receptor possui um S-METER, poderemos controlar o sinal pelo ponteiro do mesmo.
Adaptamos uma chave HH que coloca e tira o pré-amplificador no momento de ouvir e de transmitir. Os que desejarem sofisticar um pouco poderão colocar um relê para fazer as ligações automaticamente.

















