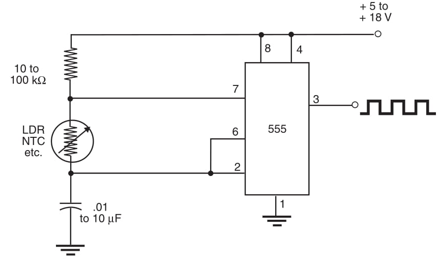
Este projeto faz parte do meu livro Robótica, Mecatrônica e Inteligência Artificial - Robotics, Mechatronics and Artificial Intelligence (esgotado) publicado nos Estados Unidos. Mostra a construção de um oscilador leve ou dependente da temperatura. As aplicações incluem projetos de mecatrônica ou robótica com microcontroladores ou como um bloco de construção para projetos simples.
Este circuito também pode ser usado com sensores de toque ou pressão. O circuito mostrado na Figura 1 produz um sinal de onda quadrada na faixa de uma fração de um hertz a 500 kHz, dependendo de R e C no circuito. A frequência é calculada usando a fórmula no diagrama. Substituindo uma das ramificações do potenciómetro P1 no circuito mostrado no artigo anterior, é possível ter um circuito de modulação de largura de impulso controlada por temperatura / luz (PWM).
















