Este projeto faz parte do meu livro Robótica, Mecatrônica e Inteligência Artificial - Robotics, Mechatronics and Artificial Intelligence (esgotado) publicado nos Estados Unidos. Ele ensina como construir um condicionador de contato biestável para um sensor SPDT, sendo adequado para projetos de mecatrônica ou robótica com microcontroladores ou como bloco de construção para projetos simples.
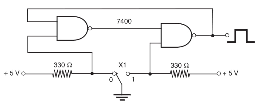
Dois sensores de contato operando como um comutador de polo único, duplo acionamento (SPDT) podem ser condicionados pelo circuito mostrado na Figura 1. Este circuito usa duas portas NAND de um 7400 TTL IC. A posição dos contatos determina se a saída do circuito vai para o nível lógico alto ou baixo.
Se o circuito se destina a controlar cargas de alta potência, um estágio transistorizado, como os descritos em outros artigos desta seção, deve ser usado.
















