Este circuito é do meu livro Robótica, Mecatrônica e Inteligência Artificial - Robotics, Mechatronics and Artificial Intelligence (esgotado) publicado nos Estados Unidos (*). Ele mostra como adicionar uma ação instantânea para sensores resistivos. Veja mais sobre sensores resistivos no artigo MEC399. O circuito pode ser usado em projetos de mecatrônica ou robótica com microcontroladores ou como um bloco de construção para projetos simples.
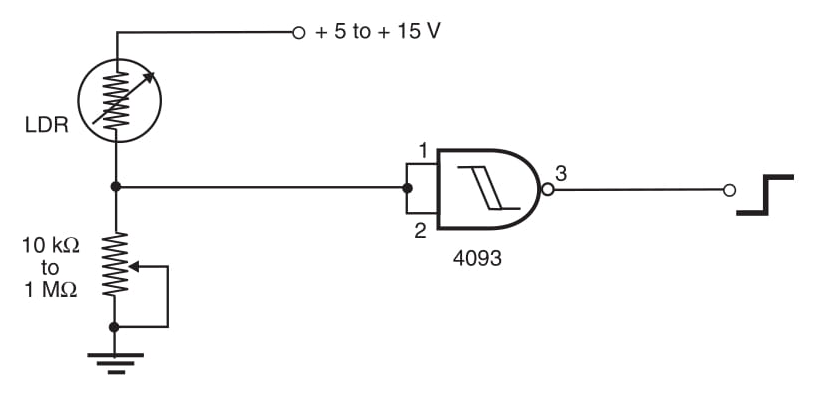
As mudanças lentas na tensão de saída do circuito anterior (MEC404) não são apropriadas para circuitos lógicos de inversores que usam tecnologias TTL ou CMOS e microcontroladores. O bloco mostrado na Figura 1 adiciona uma ação de encaixe necessária aos sensores resistivos, permitindo que eles gerem melhor as funções lógicas.
Para aplicações CMOS, o gate pode ser um dos quatro existentes no IC 4093. Para aplicações TTL, o 7404 IC pode ser usado. Para aplicações CMOS onde a sensibilidade é maior (devido às entradas de alta impedância), o potenciômetro deve ser 2 a 4 vezes a resistência do sensor em condições normais, com um valor máximo de 2,2 MΩ. Para TTL, o mesmo é válido, mas o limite superior de resistência é de cerca de 47 kΩ devido à sensibilidade, que é menor que a das portas CMOS.
















