Este projeto foi incluído no meu livro Robótica, Mecatrônica e Inteligência Artificial - Robotics, Mechatronics and Artificial Intelligence (esgotado) publicado nos Estados Unidos. Ele mostra como construir um controle de direção cronometrado para motores CC usando o 555 IC adequado para projetos de mecatrônica ou robótica com microcontroladores ou aind como bloco de construção para projetos simples.
Quando o sensor define a entrada deste bloco para o nível lógico baixo, sua saída vai para o nível lógico alto, ativando o relé. O relé permanecerá ligado por um intervalo de tempo determinado pela constante de tempo RC.
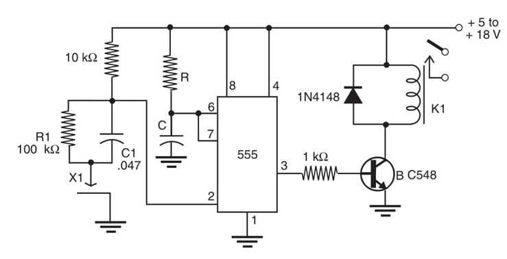
O circuito mostrado na Figura 1 pode ser usado como um sensor de tempo, ativando uma carga em intervalos de tempo variando de alguns segundos até mais de 30 minutos, dependendo dos componentes usados na rede RC. Para um capacitor de 1.000 μF e um resistor de 1 M,, o intervalo de tempo pode ser estendido para até 15 min.
O transistor de saída neste bloco é um NPN BC548, o que significa que o relé está ligado quando o 555 é ajustado com a saída no nível lógico alto. Você pode usar outros transistores, conforme descrito em outros artigos neste site, para direcionar cargas de alta corrente diretamente. O circuito pode ser alimentado com suprimentos de 5 a 12 V.
















