Este circuito de shield é adaptado do meu livro Robótica, Mecatrônica e Inteligência Artificial (esgotado) publicado nos Estados Unidos. Ele pode ser usado como um escudo para motores de passo em projetos de mecatrônica ou robótica ou como um bloco de construção para projetos mais simples.
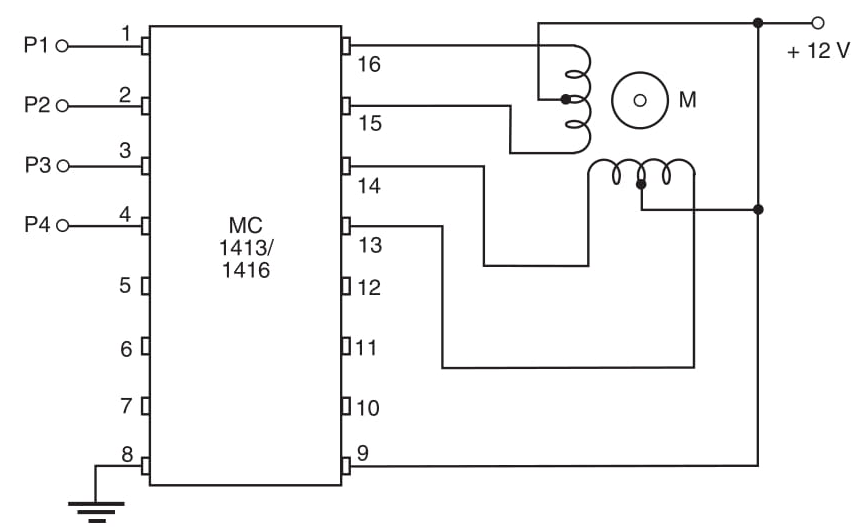
Os CIs MC1413 e MC1416, da Motorola, são equivalentes ao ULC2003 e podem ser usados para acionar motores de passo como mostrado na Figura 1. O MC1413 possui um circuito equivalente para cada estágio, como mostrado na Figura 8.20a, e o MC1416 tem o configuração mostrada na Figura 8.20b.
A diferença é que o MC1413 possui características que combinam com a lógica TTL e microcontroladores, e o MC1416 com lógica CMOS com tensões de 8 a 18 V. O bloco pode controlar correntes de até 500 mA por enrolamento, e a tensão máxima no motor é 50 V.
















