Este artigo foi escrito com base no meu livro Robótica, Mecatrônica e Inteligência Artificial - Robotics, Mechatronics and Artificial Intelligence (esgotado) publicado nos Estados Unidos. O circuito descrito pode ser usado para controlar a velocidade e o torque de um motor CC ou para acionar outras cargas como SMAs, Solenoides ou aquecedores.
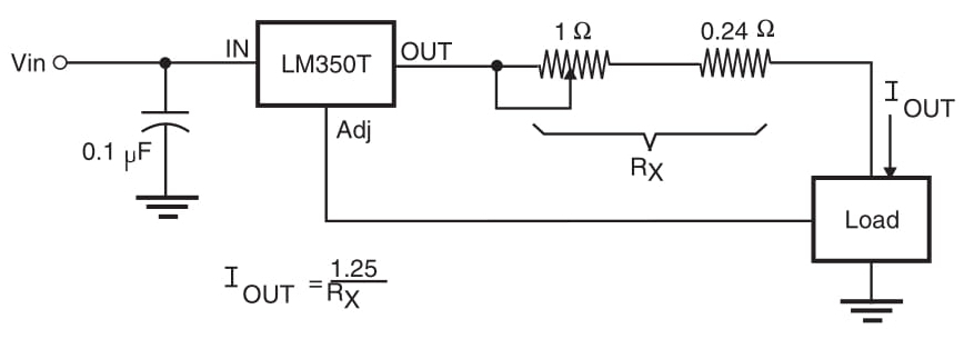
Uma corrente de até 3 A pode ser mantida constante através de uma carga usando o circuito mostrado na Figura 1. O LM350T é um IC de invólucro TO220 de três pinos e que consiste em um regulador de tensão variável com correntes de saída de até 3 A. Usando a configuração mostrada em Na figura, o circuito opera como um regulador de corrente, mantendo a corrente constante através de uma carga.

Figura 1 Fonte de corrente constante usando o LM350T (3 A).
O potenciômetro é usado para ajustar a corrente através da carga, e o resistor limita seu valor mais alto. O IC deve ser montado em um dissipador de calor e a tensão de entrada normalmente deve estar no intervalo entre 12 e 24 V. Outros CIs da mesma série que o LM150T e o LM250T podem ser usados neste bloco.















