Este circuito de escudo é adaptado do meu livro Robótica, Mecatrônica e Inteligência Artificial - Robotics, Mechatronics and Artificial Intelligence (esgotado) publicado nos Estados Unidos. Ele pode ser usado como um escudo para motores de passo em projetos de mecatrônica ou robótica ou como um bloco de construção para projetos mais simples.
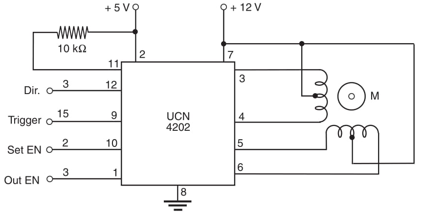
O UCN4202 (Sprague) é outro IC que contém todas as funções exigidas por um controle completo do motor de passo. Este IC é usado em uma configuração básica, como mostrado pela Figura 1.
Motores de passo com até 500 mA por enrolamento podem ser controlados por este circuito, sem o auxílio de nenhuma etapa adicional. Se os requisitos de corrente dos motores forem maiores, você pode adicionar um dos blocos de drivers mostrados neste site.
As entradas de controle deste IC são as seguintes:
▪ Dir determina se o motor avança ou recua, de acordo com o nível lógico.
▪ A habilitação do trigger é onde os pulsos de controle são aplicados, determinando a velocidade do motor.
▪ Na etapa En você pode frear o motor, como na saída En.
















