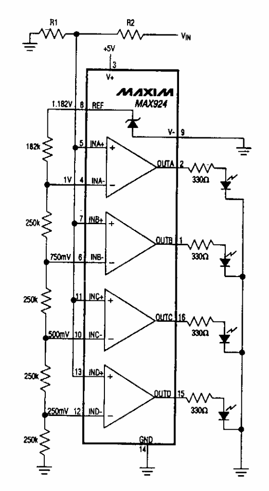
Encontrado numa documentação da Maxim, este circuito dos anos 80 aciona 4 LEDs numa escala de barras. O circuito não exige fonte simétrica e a referência de tensão para acionamento é dada por R1 e R2.

Encontrado numa documentação da Maxim, este circuito dos anos 80 aciona 4 LEDs numa escala de barras. O circuito não exige fonte simétrica e a referência de tensão para acionamento é dada por R1 e R2.
