Este circuito descrito aqui é baseado no meu livro Robótica, Mecatrônica e Inteligência Artificial - Robotics, Mechatronics and Artificial Intelligence (esgotado) publicado nos Estados Unidos. Ele pode ser usado para controlar SMA (Shape Memory Alloy) e outras cargas DC em projetos de robótica e mecatrônica.
A resistência de uma SMA muda quando é aquecida significa que a corrente proveniente da fonte de alimentação também muda. Essa variação pode causar superaquecimento ou outros problemas. Se o SMA for alimentado por uma fonte de corrente constante, a operação segura pode ser obtida.
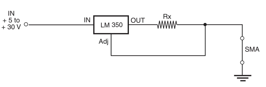
O bloco mostrado pela Figura 1 pode ser usado para manter a corrente constante através de um SMA na faixa de poucos miliamperes a 3 A. O resistor, de acordo com a corrente desejada, é calculado pela seguinte fórmula:
R = 1.25 / I
Onde
R = resistência de R em ohm
I = corrente desejada na SMA
Outras fontes de corrente constantes descritas nesta seção podem ser usadas. Em particular, recomendamos o MEC439, que usa um transistor bipolar comum para a tarefa.
















