Este artigo foi escrito com base no meu livro Robótica, Mecatrônica e Inteligência Artificial - Robotics, Mechatronics and Artificial Intelligence (esgotado) publicado nos Estados Unidos. O circuito descrito pode ser usado para ligar e desligar cargas alimentadas pela rede elétrica CA.
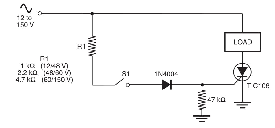
O circuito mostrado na Figura 1 pode ser usado para ligar e desligar uma carga AC.
Observe que o circuito conduz somente os semiciclos positivos da tensão da fonte de alimentação.
Isso significa que aproximadamente metade da energia total é aplicada à carga. Para cargas de baixa potência, é possível compensar essa perda de energia na carga conectando um capacitor de grande valor em paralelo.
















