Este projeto faz parte do meu livro Robótica, Mecatrônica e Inteligência Artificial - Robotics, Mechatronics and Artificial Intelligence (esgotado) publicado nos Estados Unidos (*). Ele ensina como construir um condicionador de contato usando o 4093 IC adequado para projetos de mecatrônica ou robótica ou ainda como um bloco de construção para projetos simples.
(*) Uma nova edição em português, em espanhol e em inglês está sendo preparada com a finalidade de atender as modificações impostas no ensino de tecnologia no nível médio pelo BNCC (Base Comum Curricular) de 2018 e pelo STEM do programa americano semelhante aprovado em 2015 e analisado desde 2009.
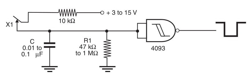
A diferença entre este circuito e o mostrado nos projetos anteriores nesta seção é que, neste circuito, a saída vai para o nível lógico alto quando o sensor está fechado (Figura 1).
Os componentes (capacitor e resistor) são escolhidos de acordo com as características sensor e estão na mesma faixa de valores descritos nos últimos. Veja também outros projetos nesta seção. Nele, você encontrará blocos que podem ser adicionados à saída deste circuito para aumentar sua potência.
















