0 circuito que apresentamos converte tensões em frequências, numa faixa que vai de aproximadamente 800 Hz, na ausência de sinal, até 4 kHz, com excitação total. Podemos utilizá-lo em inúmeros projetos, que envolvem a excitação de circuitos digitais a partir de sinais analógicos, além de outros que serão citados.
Um conversor analógico-digital é basicamente um circuito que transforma variações de grandeza que não varia passo-a-passo, mas linearmente, numa grandeza que varia por passos em quantidades discretas, portanto, como a frequência.
Diversas são as possibilidades de uso para um circuito deste tipo.
Podemos usá-lo na entrada de contadores digitais como excitador para projetos de termômetros, fotômetros, voltímetros, amperímetros etc., onde grandezas que variam linearmente devem ser transformadas em sinais digitais.
A faixa de operação do circuito em questão é restrita, mas isso não significa que e!e não tenha aplicações práticas possíveis dentro do que o leitor deseja.
Uma outra aplicação interessante para este circuito é como indicador auditivo de tensões, correntes ou outras grandezas, para deficientes visuais.
Grandezas como tensões, resistências, correntes etc. podem ser convertidas em som, via um pequeno amplificador ligado a um alto-falante.
A base do circuito é um transistor unijunção e sua faixa de tensões de operação vai de 9 a 15 volts.
Como Funciona
O transistor unijunção funciona como oscilador de relaxação, onde a frequência de operação é dada pela constante de tempo RC, do circuito no emissor.
O resistor de emissor (R) é, no entanto, formado por R1 e por um transistor.
O capacitor é fixo, de modo que a frequência vai depender basicamente da resistência apresentada pelo transistor.
Na saturação, a resistência é praticamente nula, ficando apenas R1 no circuito, quando então a frequência é máxima, em torno de 4 kHz.
A existência de R3 faz com que a resposta do circuito seja mais ou menos linear, conforme o gráfico da figura 1.

O resistor de entrada (R4) determina a sensibilidade do circuito, podendo ter valores entre 100 k a 10 M.
O resistor será de 10 k para tensões de entrada até 10 V, e de 1 M para tensões até 100 V. Para tensões maiores, o resistor é aumentado proporcionalmente até 1000 V.
O circuito também poderá operar com sinais alternantes, caso em que um diodo deve ser acrescentado, lembrando-se apenas que a resposta será em função da tensão RMS.
Veja que, neste caso teremos variações da frequência de saída em função da tensão de entrada, nada havendo com a frequência de entrada.
Montagem
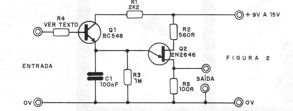
Na figura 2 temos o circuito completo do conversor.
Damos na figura 3 um exemplo de placa de circuito impresso.
Como em muitas aplicações o circuito fará parte de projetos mais complexos, provavelmente, e!e fará parte de uma configuração única em termos de desenho de placa.
O transistor Q1 é um BC548 ou qualquer equivalente, e Q2 deve ser obrigatoriamente um 2N2646.
O consumo de corrente do circuito é bastante baixo, de modo que não será preciso superdimensionar a fonte para sua alimentação.
Se for desejada uma faixa de frequência diferente, o capacitor C1 pode ter seu valor alterado numa ampla faixa
O valor mínimo recomendado é 47 nF e o máximo de 2,2 uF.
Para 47 nF de valor mínimo, a faixa de frequência estará entre 1 600 Hz e 8 kHz.
Prova e Uso
Para a prova pode ser usado um simples amplificador que será ligado na sua saída.
O sinal de áudio deve ser ouvido claramente em função da tensão de entrada
Para aplicar tensões na faixa de 0 a 10 volts, quando o resistor R4 deve ser de 100K, podemos empregar um divisor de tensão conforme mostra a figura 4.

Para usar o conversor é preciso ter em mente que os pulsos de saída são bastante agudos.
Lista de Material
Q1 - BC548 ou equivalente – transistor NPN de uso geral
Q2 - 2N2646 - transistor unijunção
R1 - 2k2 x 1/8 W - resistor (vermelho, vermelho, vermelho)
R2 - 560R x1/8 W - resistor (verde, azul, marrom)
R3 - 1M x 1/8 W - resistor (marrom, preto, verde)
R4 - Ver texto (1ook a 1M, conforme a tensão de entrada)
R5 – 100 R x 1/8 W - resistor (marrom, preto, marrom)
C1 - 100 nF (104) - capacitor cerâmico
Diversos: placa de circuito impresso, fios, solda etc.

















