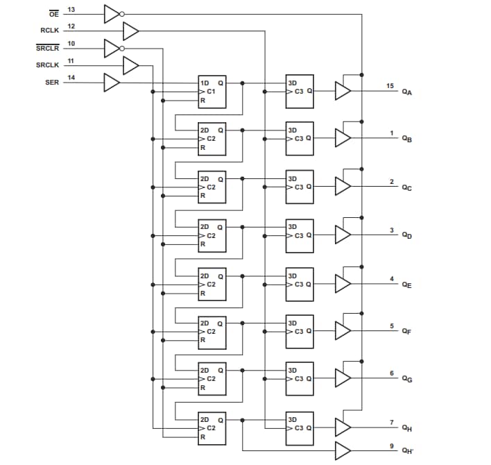
Texas Instruments SN74AHCT595/SN74AHCT595-Q1 8-Bit Shift Registers apresentam um shift register de 8 bits serial-in, parallel-out que fornece um storage register de 8 bits tipo D. O shift register clock (SRCLK) e o storage register clock (RCLK) são acionados por borda positiva. O TI SN74AHCT595-Q1 é qualificado pela AEC-Q100 para aplicações automotivas.
















