A influência de campos magnéticos ou elétricos em alguns experimentos paranormais foi estudada por muitos pesquisadores. Colocar ímãs perto dos objetos ou perto de um microfone ao tentar captar imagens é um experimento que foi realizado muitas vezes. A presença de um ímã também pode melhorar a recepção de imagens de paredes ou outros lugares. Os ímãs também são usados em experimentos envolvendo outros fenômenos paranormais, como PES, clarividência, telepatia, etc.
Nota: este artigo foi originalmente escrito para meu livro Electronic Projects from the Next Dimension. Veja em PN00 nota sobre o assunto de que ele trata. Projetos semelhantes podem ser encontrados no site. Digite magnético na busca para encontrar artigos.
O tipo de influência que um campo magnético pode ter sobre esses experimentos é especulativo e não está incluído nesta discussão. Mas devemos notar que o ímã comum tem uma limitação importante: ele produz um campo magnético constante que. em alguns casos, não é forte o suficiente para nossos propósitos.
O gerador de campo magnético apresentado neste projeto pode oferecer algo mais ao pesquisador paranormal. Ele produz um campo magnético de baixa frequência variável.
Vários experimentos paranormais podem ser realizados com a ajuda deste projeto para explorar os seguintes assuntos:
■ A influência de um campo magnético alternado ao captar sons de fontes paranormais
■ A influência de um campo magnético alternado ao registrar imagens paranormais
■ Como os experimentos ESP são influenciados por campos magnéticos
■ A influência do campo magnético em experimentos envolvendo fotografia Kirlian, telepatia, precognição e psicocinesia / telecinesia
■ A influência dos campos magnéticos no crescimento das plantas e outras reações fisiológicas das plantas (efeito Backster)
Como funciona
O circuito é um oscilador de baixa frequência com uma configuração versátil que pode ser usado para diversos fins, como o leitor verá neste livro. O sinal de baixa frequência produzido pelo oscilador pode ser usado para acionar uma bobina, produzindo um campo magnético, ou para acionar um transformador, produzindo alta tensão em experimentos Kirlian.
O princípio operacional é simples: quando uma corrente flui através de uma bobina, um campo magnético é produzido como mostrado na Fig. 1. A direção das linhas do campo magnético depende da direção da corrente. Como este circuito produz corrente pulsada direta, a direção é determinada pela maneira como a bobina é conectada. Se necessário para um experimento específico, um interruptor pode ser adicionado para inverter a direção do campo magnético.

A frequência da corrente de pulso também é a frequência do campo e pode variar em uma faixa de vários hertz até 10.000 Hz. O capacitor Cl determina a faixa de frequência e pode ser alterado conforme sugerido abaixo. R1, R2 e P1 determinam a frequência com Cl. O ciclo de trabalho é determinado por R1, que pode ser escolhido na faixa entre 4,7 e 47 kΩ. R2 e P1 determinam a taxa de pulso ou frequência. Com os valores recomendados para Cl, a frequência está na faixa entre várias centenas de hertz e vários quilohertz. Ao reduzir o valor de Cl, a frequência pode aumentar para valores de até 1 MHz. O sinal pulsado é aplicado a um FET de energia que aciona a bobina, produzindo grandes correntes.
O circuito pode ser alimentado por fontes de 6 a 12 V. A potência de saída ou intensidade do campo magnético depende desta tensão. Você pode usar qualquer uma das fontes de alimentação recomendadas para outros projetos neste livro, desde que tenham tensões de saída entre 9 e 12 V e correntes na faixa entre 500 mA e 2 A. Quatro células D podem ser usadas para alimentar o circuito, mas apenas para experimentos de curto prazo, já que o dreno atual é significativo.
Montagem
O diagrama esquemático completo do gerador de campo magnético é mostrado na Fig. 2. Uma placa de circuito impresso é usada para suportar os componentes básicos, como mostrado na Fig. 99. Qualquer FET de potência do canal P com correntes de drenagem de 4 A ou mais pode ser usado neste projeto. Tipos como o IRF640 e muitos outros da série "IRF" podem ser usados. Tipos como IRF630, IRF640 e IRF720 são adequados para este projeto. Uma alternativa é o uso de um transistor de potência NPN Darlington com correntes de coletor avaliadas em 4 A ou mais.

O FET de potência precisa de um dissipador de calor, feito com um pedaço de metal dobrado para formar um "U". A bobina depende da aplicação que o leitor tem em mente. Para aplicar os campos magnéticos a objetos pequenos (como plantas, as mãos de uma pessoa ou mesmo a cabeça), a bobina pode ser feita como mostrado na Fig. 4.
Em uma forma de papelão ou madeira, 20 a 50 voltas de fio esmaltado (28 a 32 AWG) são enroladas e conectadas ao circuito usando um fio comum coberto de plástico de 1 a 2 m.
Aviso: Alguns estudos indicaram que a exposição prolongada a campos magnéticos de baixa frequência pode causar doenças como câncer e leucemia em humanos. Mas, ao mesmo tempo, os pesquisadores também descobriram que alguns campos magnéticos de baixa frequência podem ajudar a restaurar ossos quebrados e, em alguns casos, acelerar a recuperação de lesões em algumas pessoas. Se o leitor pretende usar este dispositivo para expor pessoas ou seres vivos, é aconselhável proceder com muita prudência. Não se exponha ou exponha outras pessoas ao campo magnético por mais de alguns minutos ao fazer qualquer experimento.
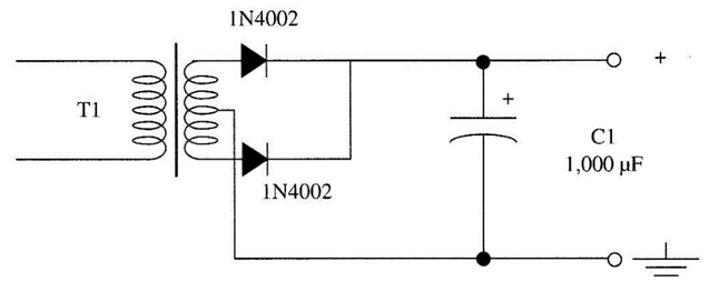
Se o circuito for alimentado pela linha de alimentação CA, a fonte de alimentação mostrada na Fig. 5 pode ser usada. O transformador tem um enrolamento primário classificado para 117 VCA (ou de acordo com a tensão da linha de alimentação CA) e um secundário classificado para 6 V a 9 V x 1 A. Os diodos são 1N4002 ou equivalentes, e o capacitor eletrolítico é classificado para 12 WVCC. Embora o transformador isole o circuito da tensão da linha de alimentação CA, é importante tomar precauções para isolar todos os componentes de alta tensão para evitar receber choques de qualquer parte do circuito.
Testando e Usando o Circuito
Ligue o circuito e, dentro da bobina, coloque um receptor MW sintonizado em um ponto livre entre 550 e 1600 kHz. Você ouvirá um tom se o circuito estiver operando e um campo magnético estiver sendo produzido.
Os sinais são captados pelo receptor em frequências mais altas, pois o circuito produz uma corrente retangular rica em harmônicos que se estende até a banda de ondas curtas.

Para aplicar o campo magnético a qualquer objeto ou amostra, basta colocá-lo dentro da bobina. Ajuste a frequência de acordo com o desejado para o experimento.
Sugestões
■ Seres vivos como plantas e insetos podem ser colocados dentro da bobina por um intervalo de tempo pré-determinado antes de iniciar os experimentos. A influência do campo magnético pode ser estudada comparando amostras que foram e não foram submetidas ao campo magnético.
■ O campo magnético pode ser usado em ambientes onde vozes e imagens são captadas em experimentos paranormais para ver como ele pode influenciar os resultados.
■ D1, D2 e R1 podem ser removidos. O circuito então produzirá sinais de ciclo de trabalho de 50%.
■ Substitua o transistor por um transistor NPN bipolar Darlington, como o TIT'140, T1P142 ou TIP142.
Lista de Peças:
Semicondutores
IC-1 4093 CMOS Circuito integrado
Q1 1RF640 ou qualquer FET de potência (ver texto)
D1, D2 1N4148 ou equivalente - quaisquer resistores de diodo de silício de uso geral
R1 47 kΩ, 1/8 W, 5% - amarelo, violeta, laranja
R2 10 kΩ, 1/8 W, 5% - marrom, preto, laranja
R3 4.700 Ω, 1/8 W, 5% - amarelo, violeta, vermelho
R4 120 kΩ, 1/8 W, 5% - marrom, vermelho, amarelo
Capacitores
C1 0,047 a 0,47 µF, filme de cerâmica ou metal
C2 1.000 µF, 16 WVDC, eletrolítico
Diversos
P1 1 MΩ Potenciômetro
L1 Bobina (ver texto)
Placa de circuito impresso, caixa de plástico, fios, fio esmaltado 28 a 23 AWG para a bobina, solda, etc. Materiais para a fonte de alimentação
D1, D2 1N4002 diodos retificadores de silício
T1 Transformador - primário de acordo com a linha de alimentação CA e classificação secundária de 6 a 9 V CT, lA
Cabo de alimentação, fusível de 1 A, fios, solda, etc.

















