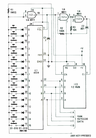
Este circuito foi encontrado na revista Radio Electronics de julho de 1987. Ele utiliza tecnologia CMOS para converter em binário o controle de 10 interruptores de pressão.

Este circuito foi encontrado na revista Radio Electronics de julho de 1987. Ele utiliza tecnologia CMOS para converter em binário o controle de 10 interruptores de pressão.
