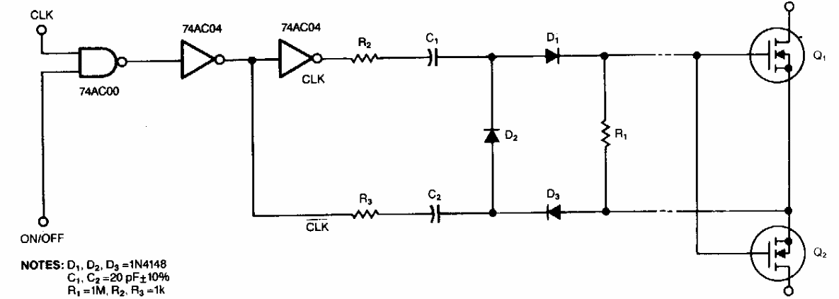
Encontrado numa EDN dos anos 90, este circuito pode ser usado como shield. Os componentes dependem dos MOSFETs e da carga que deve ser controlada. A lógica é TTL.

 


| Clique na imagem para ampliar |

 

 

NO YOUTUBE


NOSSO PODCAST