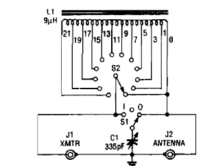
Este sintonizador de antena encontrado numa publicação de 1995 saiu no Electronics Hobbysts Handbook de 1993. A bobina depende das faixas de frequências que se depende sintonizar, normalmente de 3 a 30 MHz.

Este sintonizador de antena encontrado numa publicação de 1995 saiu no Electronics Hobbysts Handbook de 1993. A bobina depende das faixas de frequências que se depende sintonizar, normalmente de 3 a 30 MHz.
