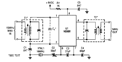
Este conversor para sinais da estação WWV de referência horária foi encontrado numa Popular Electronics. Os sinais de 15 MHz passam a ser recebidas num rádio de ondas médias em 1 MHz.
.

Este conversor para sinais da estação WWV de referência horária foi encontrado numa Popular Electronics. Os sinais de 15 MHz passam a ser recebidas num rádio de ondas médias em 1 MHz.
.
