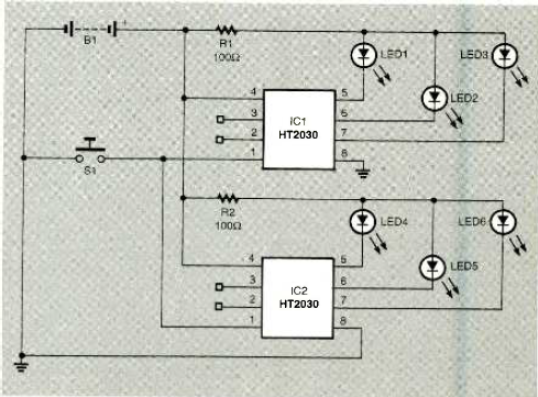
Este circuito com dois HT2030 alimenta 6 LEDs num sistema piscante decorativo. O circuito é da revista Electronics Now de dezembro de 1997. Os LEDs são alimentos em sequência.

Este circuito com dois HT2030 alimenta 6 LEDs num sistema piscante decorativo. O circuito é da revista Electronics Now de dezembro de 1997. Os LEDs são alimentos em sequência.
