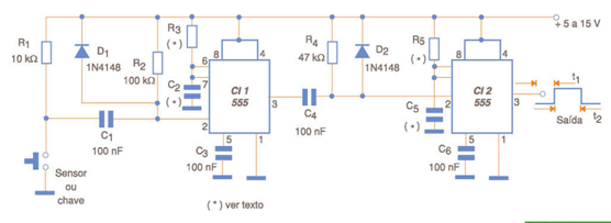
Gerador de pulsos com retardo Esta pode ser considerada uma aplicação "avançada" onde dois circuitos integrados 555 são usados para gerar um pulso de duração controlada, produzido depois de um certo intervalo de tempo. O circuito, que poderá acionar uma carga de potência ou um relé, dependendo da aplicação, é mostrado na figura. Quando S1 é pressionado, o primeiro 555 monoestável dispara e sua saída vai ao nível alto por um intervalo de tempo que depende de R3 e C2, conforme calculado pela seguinte fórmula:

No final desse intervalo de tempo, a saída do 555 voltará ao nível baixo, o que fará com que o segundo monoestável 555 seja disparado, dando início assim à produção do pulso de saída. O tempo de duração do pulso produzido depende de R5 e C5, conforme a seguinte fórmula:

A alimentação do circuito pode ser feita com tensões de 5 a 15 V, e os valores máximos de temporização estão em torno de 1 hora com capacitores de 1 500 µF e resistores de 2,2 M ohms.

















