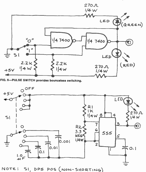
Usando o 555 e o 7400 este circuito foi encontrado na revista Radio Electronics de setembro de 1977. A alimentação deve ser feita com uma tensão de 5 V.

Usando o 555 e o 7400 este circuito foi encontrado na revista Radio Electronics de setembro de 1977. A alimentação deve ser feita com uma tensão de 5 V.
