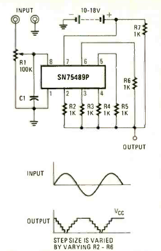
Este circuito foi encontrado na revista Radio Electronics de junho de 1978. O circuito deve ser alimentado com tensões de 10 a 18 V. O circuito integrado é da Texas Instruments.

Este circuito foi encontrado na revista Radio Electronics de junho de 1978. O circuito deve ser alimentado com tensões de 10 a 18 V. O circuito integrado é da Texas Instruments.
