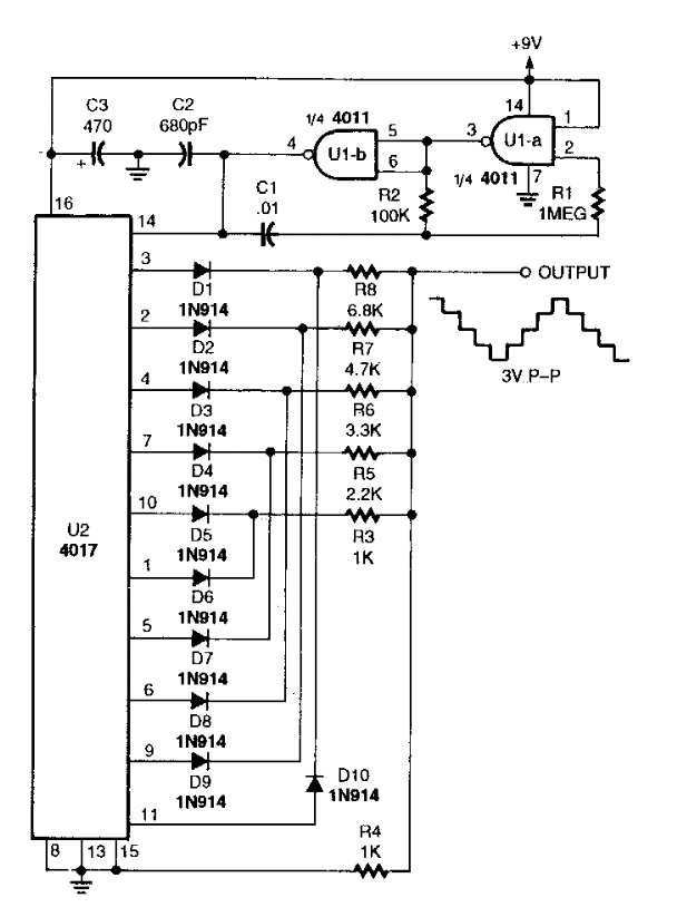
Usando um 4017 como base, este circuito de uma Popular Electronics dos anos 90 gera sinais de baixa frequência em forma de escada. A frequência é dada pelo 4011.

Usando um 4017 como base, este circuito de uma Popular Electronics dos anos 90 gera sinais de baixa frequência em forma de escada. A frequência é dada pelo 4011.
