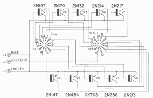
Este circuito, comum nos anos 50, continha transistores básicos que poderiam ser experimentados ao se realizar o desenvolvimento de um projeto. Pode-se fazer o mesmo com transistores modernos.

Este circuito, comum nos anos 50, continha transistores básicos que poderiam ser experimentados ao se realizar o desenvolvimento de um projeto. Pode-se fazer o mesmo com transistores modernos.
