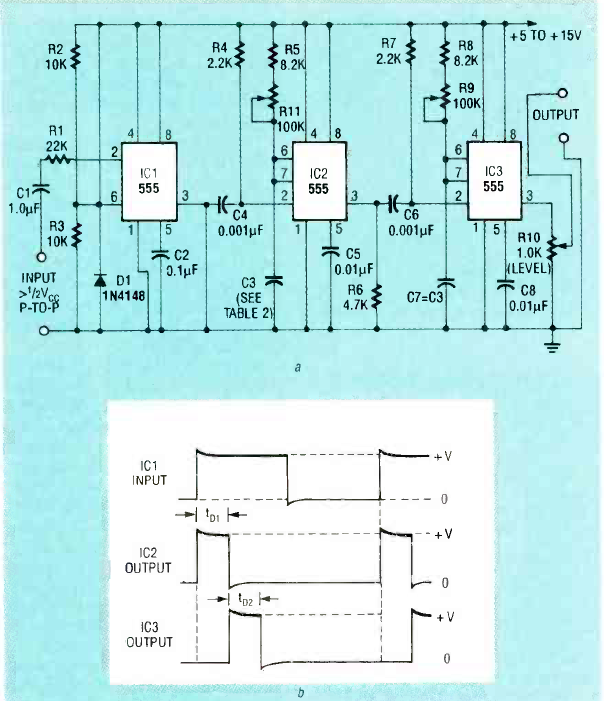
Encontrado num artigo da revista Radio Electronics de setembro de 1992, este circuito gera um pulso conforme indicado no gráfico abaixo do diagrama. Os tempos podem ser alterados pela troca de C3 e C7.

Encontrado num artigo da revista Radio Electronics de setembro de 1992, este circuito gera um pulso conforme indicado no gráfico abaixo do diagrama. Os tempos podem ser alterados pela troca de C3 e C7.
